袋ナットラインナップ
製品ラインナップと
製品仕様
袋ナットの製品ラインナップは、その用途の多様性から、様々な種類、材質、表面処理、サイズで展開されています。以下に主な製品ラインナップをまとめました。
ラインナップ
一般品
- 1形・2形
- 受注生産品
- 3形
- 鉄/ユニクロ・クロメート・黒色・三価・ニッケル/SUS SUS304・SUS316L/チタン
- 溶接袋ナット
- 四角溶接ナット・六角溶接ナット
- ゆるみ止め袋ナット
- Uナット・ターミナルナット
材質
- 鉄
- 最も一般的で、幅広い用途に使用されます。
- ステンレス鋼
- 耐食性、耐熱性に優れ、屋外や水回り、美観を重視する場所で多く使用されます(例: SUS304L, SUS316, SUS316L, SUSXM7)。 ステンレス製は研磨仕上げされているものもあり、見た目がきれいです。
- 黄銅(真鍮)
- 美しい金色光沢を持ち、加工性に優れています。電気伝導性も良好です。錆びにくい性質がありますが、経年により表面が酸化して独特のくすみ(緑青)が生じることがあります。
- S45C
- 強度が必要な場合に使用されることがあります。
- チタン
- 軽量で高い耐食性が求められる特殊な用途に使用されます。
表面処理
錆び防止、耐食性向上、美観向上、摩擦係数調整などの目的で多種多様な表面処理が施されます。
- 生地
- 表面処理を一切施していない状態の金属そのものです。鉄製の生地品は、時間の経過とともに錆が発生しやすいという特徴があります。
- ユニクロ(光沢クロメート)
- 青味のある銀白色で装飾性に優れますが、耐食性は標準的です。従来の六価クロムは有害なため、近年は環境規制(RoHS指令)に対応した「三価クロム」タイプが主流となり、環境負荷の低減が進んでいます。
- クロメート(有色クロメート)
- 黄金色(虹色)の外観で、ユニクロより耐食性が高く、サビ防止重視の箇所に最適です。従来の六価クロムタイプは環境負荷が高いため、現在はRoHS指令に対応した「三価クロム」への代替が推奨されています。
- 三価クロメート(三価ホワイト、三価黒)
- 有害な六価クロムを含まない環境配慮型のめっきです。RoHS指令などの環境規制に完全対応しており、現在の産業界の主流です。技術向上により従来のクロメートと同等の耐食性を確保しつつ、耐熱性にも優れています。
- ニッケルめっき
- 美しい銀色の光沢を持ち、変色しにくく耐食性に優れます。装飾品や、電気を通すための電子部品に最適です。
- クロムめっき
- 鏡のような青白色の美しい光沢と、非常に硬く傷がつきにくい性質が最大の特徴です。耐候性が抜群で大気中でも変色しません。下地にニッケルめっきを施すことで高い耐食性を発揮し、自動車の外装や水道の蛇口などに使われます。
- 溶融亜鉛めっき(ドブめっき)
- 厚い亜鉛層で高い防錆効果を発揮し、屋外での使用に適しています。
- SUS焼付け防止コート
- ステンレス同士の焼き付きを防止する処理です。
- 塗装・コーティング
- 特定の色や機能を持たせるために施されます。
寸法・サイズ
ねじの呼び径は、M3からM36、さらにはM48まで幅広いサイズが提供されています。
- メートルねじ
- M3, M4, M5, M6, M8, M10, M12, M16, M20, M24, M30, M36などが一般的です。 M3はJIS規格にはありませんが、メーカーの参考規格として流通しています。
- ウィットねじ
- W3/16, W1/4, W5/16, W3/8, W1/2, W5/8, W3/4, W7/8, W1などのインチサイズも存在します。
- ピッチ
- 並目、細目などがあります。
- 二面幅
- スパナやソケットレンチのサイズに適合するよう、各ねじ径に対応した二面幅があります。
- 全長・ねじ入深さ
- ボルトの突き出し長さに応じて選べるよう、様々な高さの製品があります。
特注品ナット
- フランジ袋ナット
-
- 溶接袋ナット
-
- ホイールナット
-
- 高ナット
-
- 穴付袋ナット
-
- インサート用
-
- 袋付きボルト
-
生産方法
袋ナットの生産方法:高品質を生み出す工程
- 1. ナット・キャップの洗浄
- まず、六角ナット本体とキャップ(ドーム部)をきれいにします。加工中に付着した油や小さなゴミを取り除くため、脱脂洗浄、水洗、乾燥を行いいます。これは、次の溶接工程で不良が出ないようにするため、また錆を防ぐために非常に大切です。
- 2. スポット溶接
- 洗浄されたナットとキャップを、専用の機械で接合します。スポット溶接は、電気の熱と圧力を利用して、金属を点で溶かし合わせる方法です。 部品を正確にセットし、電極で挟んで圧力をかけながら電流を流し、一瞬で溶接します。この工程を精密に管理することで、丈夫で見た目の良い袋ナットが作られます。
- 3. 検査・梱包
- 溶接が終わった袋ナットは、出荷前に厳しくチェックされます。
外観検査:傷や溶接不良、メッキのムラがないかを目で確認します。
寸法検査:ねじのサイズや全体の高さなどが、図面通りか測ります。
機能検査:実際にボルトをねじ込み、スムーズに入るか確認します。
これらの検査に合格した製品は、決められた数ごとに袋や箱に入れられ、製品情報が記載されたラベルが貼られて、お客様のもとへ届けられる準備が完了します。
このように、袋ナットは「洗浄」「溶接」「検査・梱包」という工程を経て、安全で信頼性の高い製品として生産されています。
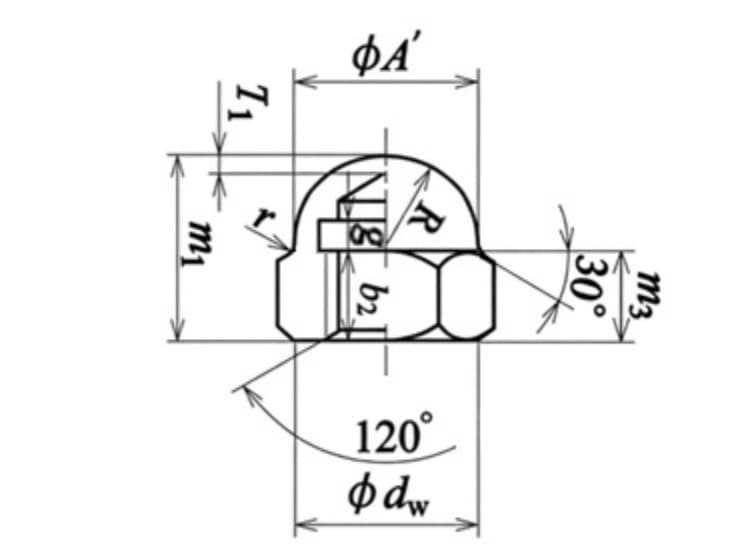
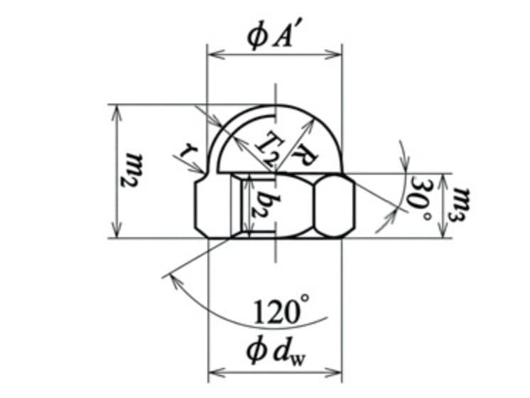
製品仕様
- 1形

- 2形

- 3形

標準袋ナット寸法表(3形)(単位:mm)
| ねじの呼び | S (対辺距離) |
m2 (全高) |
m3 (ナット部高) |
A' (キャップ径) |
T2 (キャップ厚) |
ネジ入深さ 保証寸法 |
|---|---|---|---|---|---|---|
| M3 | 5.5 | 4.8 | 2.4 | 4.6 | 0.4 | 3.2 |
| M4 | 7 | 6.2 | 3.2 | 5.6 | 0.6 | 4.1 |
| M5 | 8 | 7.5 | 4.0 | 6.6 | 0.6 | 5.4 |
| M6 | 10 | 9.5 | 5.0 | 8.5 | 0.6 | 7.2 |
| M8 | 13 | 12.5 | 6.5 | 11.5 | 0.8 | 10.1 |
| M10 | 17 | 15.5 | 8.0 | 14.5 | 1.0 | 13.0 |
| M12 | 19 | 18.5 | 10.0 | 16.5 | 1.2 | 15.4 |
| M16 | 24 | 24.0 | 13.0 | 21.5 | 1.6 | 20.0 |
| M20 | 30 | 29.0 | 16.0 | 26.5 | 1.6 | 23.0 |
| M24 | 36 | 35.5 | 19 | 32.5 | 2.0 | 29.0 |
















